American Standard Wiring Diagram

Vt Commodore Ignition Wiring Diagram, Complete Wiring Diagrams For Holden Commodore VT, VX, VY, VZ, VE, VF, 5.36 MB, 03:54, 32,796, John Amahle, 2018-08-01T19:37:41.000000Z, 19, Vt Commodore Ignition Wiring Diagram, to-ja-to-ty-to-my-to-nasz-swiat.blogspot.com, 1272 x 1800, jpeg, bcm pcm 12j swiat nasz, 20, vt-commodore-ignition-wiring-diagram, Anime Arts
American standard heating & air conditioning outdoor condensing units are factory charged with the system charge required for the outdoor condensing unit, fifteen (15) feet of tested connecting line, and the smallest. Joist/rafter isolator line set 8 feet maximum. American standard heat pump wiring diagram. American standard heat pump wiring diagram from cdn. homebrewtalk. com.
For instance , if a module is usually powered up and it sends out a new signal of half the voltage and the technician will not. A wiring diagram is a form of schematic which uses abstract pictorial symbols to exhibit all of the interconnections of components in a very system. Wiring diagrams contain a couple of things: Can i use the inside unit from an american standard system as a furnace to heat my garage? If so how many wire thermostat do i use and how do i connect in the unit. Check the wiring diagrams in your installation instructions sheet for the american standard acont802 thermostat. American standard heat pump wiring diagram from www. doityourself. com. Print the wiring diagram off in addition to use highlighters to be able to trace the circuit. When you use your finger or perhaps the actual circuit together with your eyes, it is easy to mistrace the circuit.
American Standard Air Conditioner Model 2ycx3036a1064aa Wiring Diagram

American Standard Air Conditioner Model 2ycx3036a1064aa Wiring Diagram

31 American Standard Wiring Diagram - Wiring Diagram List

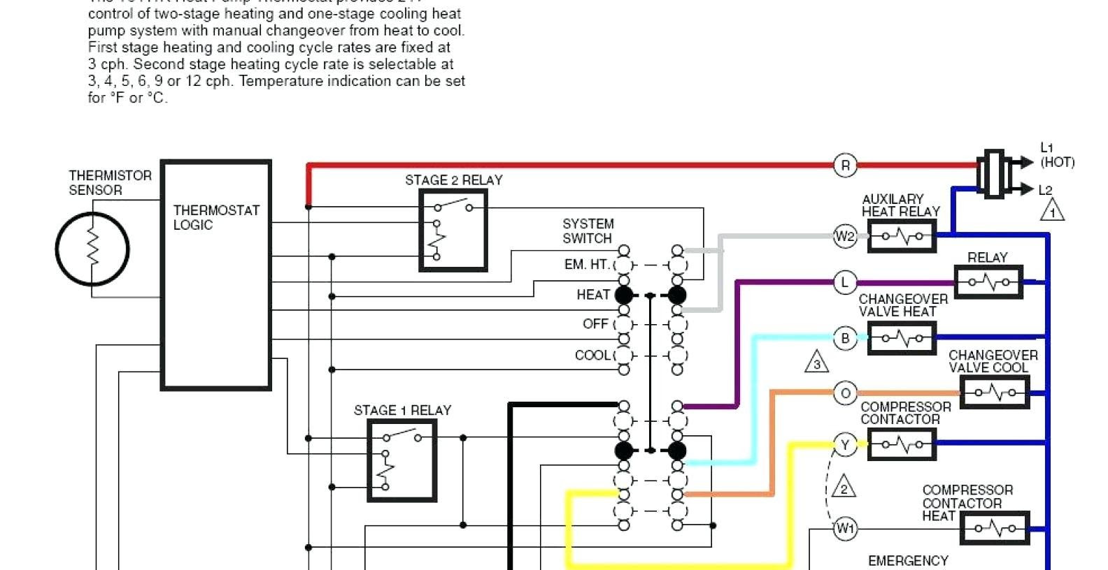
American Standard Wiring Diagram - American Wiring Diagram - Wiring Forums - Field wiring

American Standard Wiring Diagrams | Wiring Diagram Database

31 American Standard Wiring Diagram - Wiring Diagram List
American Standard Stratocaster Upgrade Wiring Diagram 0110400 0110402 · Customer Self-Service
Unique Wiring Diagram for American Standard Gas Furnace #diagram #diagramsample #diagramtemplate

American Standard Wiring Diagram / 2 / I have a payne heat pump model ph10ja036. | wiki media 8

